BIM应用案例历年真题练习1.2
>>BIM考试试题:BIM应用案例历年真题练习1.2
四、根据给定平面图建立室内设计模型。家具不应遗漏,但不要求严格与图示内容类型尺寸一致。内外墙厚均为250mm。家具和墙需设置相应材质,其中,沙发材质为皮,床、椅面、窗框、门、台面材质为木,桌椅杆件材质为钢,桌面材质为玻璃,底柜材质为塑料,墙内部面层材质为玻璃。设置所有灯具均设置室内灯光,分别对客厅、厨房从东南角向西北方向设置透视视图并做室内渲染(不要求高质量)。图中默认窗底标高为1m,其他没有给定的尺寸可自定。请将模型文件以“室内设计.XXX”,以及渲染文件“客厅.jpg”、“厨房.jpg”为文件名保存到考生文件夹中。(15分)
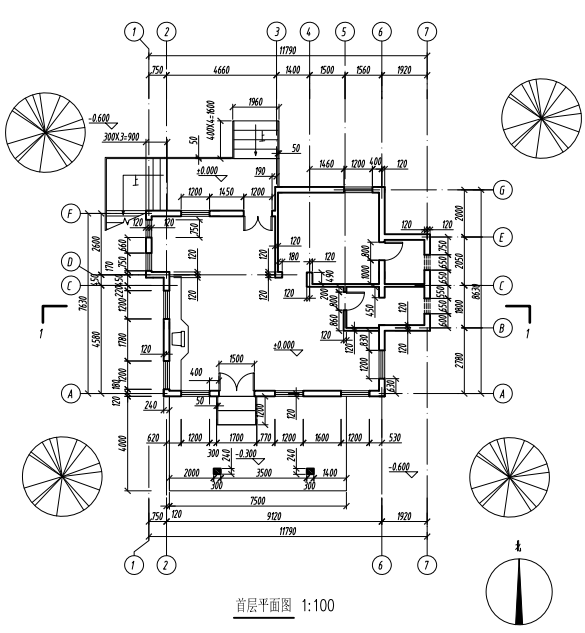
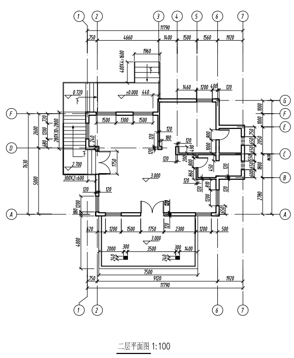
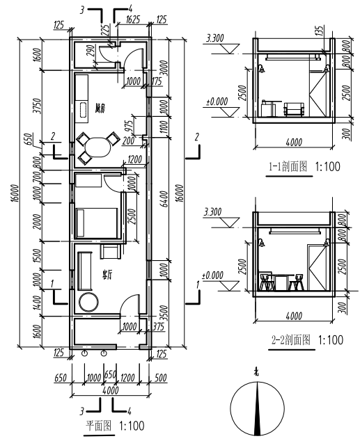
五、根据下面给出的的平面图、立面图建立别墅模型,具体要求如下(50分) :
(1) 建立别墅模型:
l) 按照给出的平、立面图要求,绘制轴网,并标注尺寸。
2) 创建墙体、楼板、屋顶及室外地坪的模型,设置其材质及纹理。其中外墙外侧材质为红色砖墙,内侧采用大白粉刷。内墙两侧均采用大白粉刷。楼板采用C30混凝土楼板。坡屋顶材质为天蓝色砖瓦,阳台顶棚材质为浅黄色石膏板。室外地坪为草地。
3) 创建并布置门窗及树木模型。门窗需按图中给出的尺寸绘制,树木尺寸可自定。门窗需包含材质信息,窗玻璃需设置透明度。
4) 创建室外楼梯模型,图中没有标明的楼梯相关尺寸可自定。
(2) 建立明细表及图纸
1) 分别创建门、窗明细表,门明细表包含构件集与类型、型号、以及合计字段。窗明细表包含构件集与类型、型号、以及合计字段。明细表按照构件集的类型进行分组统计。
2) 创建楼板工程量统计表,包含结构材质与体积字段,并按结构材质进行分组统计。
3) 建立AO尺寸的图纸,并命名为“建筑平面图”,图纸编号任意。将首层平面图、二层平面图及门窗明细表图纸放置在图纸中。
4) 按首层平面图给出的剖面位置,创建剖面视图。建立A3尺寸的图纸,将该剖面视图放置在图纸中。
这就是小编为大家整理的内容了,更多内容请登录坦途网BIM考试频道,获取最新信息。小编还会为你制定科学的复习规划,助你考试备考一臂之力。还有在线老师为你解答问题哦~
温馨提示:因考试政策、内容不断变化与调整,坦途网提供的以上信息仅供参考,如有异议,请考生以权威部门公布的内容为准!
- BIM应用案例历年真题练习1.205-25
- BIM应用案例历年真题练习1.105-25
