BIM应用案例历年真题练习1.1
导读:距离2018年BIM考试还有20天左右的时间了,在此冲刺阶段,各位考生不要紧张,还是要回归到真题中总结和回顾考点,以做好基础。下面小编就带大家做一些真题练习。具体内容如下。
>>BIM考试试题:BIM应用案例历年真题练习1.1
考试要求:
1、考试方式: 计算机操作,闭卷;2、考试时| 可为180分钟;
2、新建文件夹(以准考证号+姓名命名),用于存放本次考试中生成的全部文件。
试题部分:
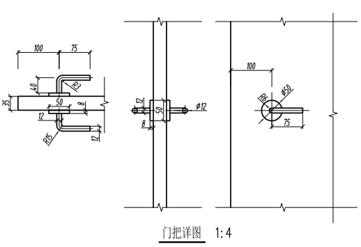
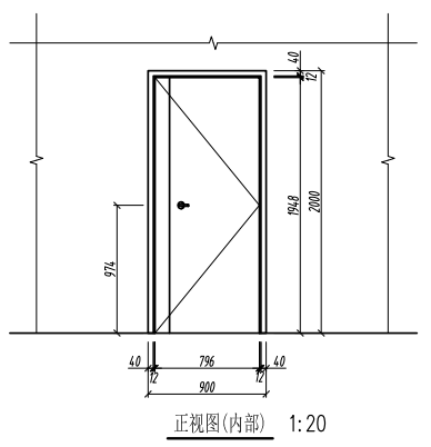
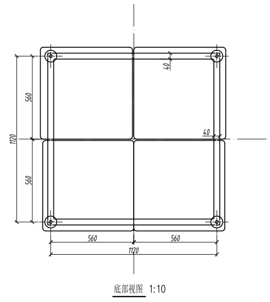
一、根据正视图、门把详图和平面图的尺寸与投影关系,建立门构件集模型。将门宽度和门扇打开角度设置为构件集参数。通过变更参数的方法,按平面图1、平面图2两种方案建模,结果以“门1.XXX”和“门2.XXX”为文件名保存在考生文件夹中。(10分)

二、按照给出的沙发正投影视图,创建沙发构件集模型。通过构件集参数的方式,将沙发坐垫和底座分别设置不同的材质。通过调整参数,形成两套方案。其中,一套方案为: 坐垫材质为皮,底座材质为钢; 另一套方案为: 坐垫材质为布,底座材质为不锈钢。结果分别以“沙发1.xxx" 和“沙发2.XXX”为文件名保存在考生文件夹中。(10分)
三、根据下图给定的投影尺寸,创建体量建筑模型。建筑共60层,层高4米。楼层平面从低到高均匀旋转和缩小。建筑外立面为幕墙,建筑各楼层平面和屋顶需建立楼板。请将模型文件以“体量建筑模型.rvt”为文件名保存到考生文件夹中。(15分)
这就是小编为大家整理的内容了,更多内容请登录坦途网BIM考试频道,获取最新信息。小编还会为你制定科学的复习规划,助你考试备考一臂之力。还有在线老师为你解答问题哦~
温馨提示:因考试政策、内容不断变化与调整,坦途网提供的以上信息仅供参考,如有异议,请考生以权威部门公布的内容为准!
- BIM应用案例历年真题练习1.205-25
- BIM应用案例历年真题练习1.105-25
BIM考试培训课程免费试听
