第2期全国BIM技能等级一级考试试卷1.1
>>BIM考试真题:第2期全国BIM技能等级一级考试试卷1.1
考试要求:新建文件夹(以考生考号+姓名命名),用于存放本次考试中生成的全部文件。图中给出的尺寸信息不需要在绘制时标注。 (考试时间180分钟)
1、请用体量面墙建立下图所示200厚斜墙,并按图中尺寸在墙面开一圆形洞口,并计算开洞后墙体的体积和面积。请将模型文件以“斜墙”为文件名保存到考生文件夹中。 (1 0分)

2、按照给出的楼梯平、剖面图,创建楼梯模型,并参照题中平面图在所示位置建立楼梯剖面模型,栏杆高度为1100,栏杆样式不限。结果以“楼梯”为文件名保存在考生文件夹中。其他建模所需尺寸可参考给定的平、剖面图自定。 (10分)
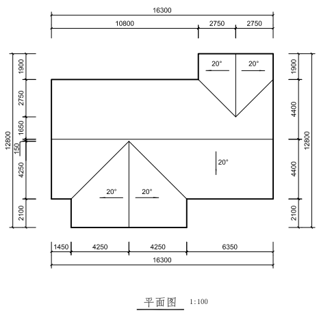
3、按照下图平、立面绘制屋顶,屋顶板厚均为400,其它建模所需尺寸可参考平、立面图自定。结果以“屋顶”为文件名保存在考生文件夹中。(20分)
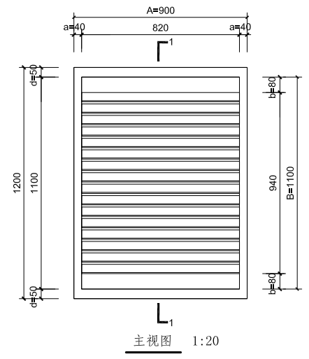
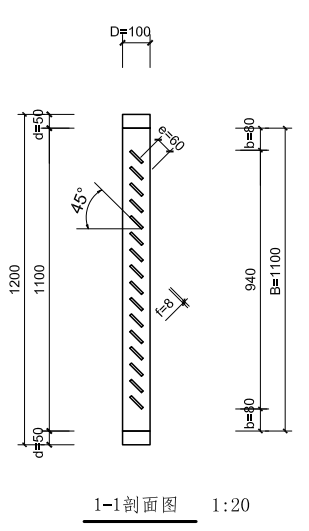
4.根据给定的尺寸标注建立“百叶窗”构建集
(1)按图中的尺寸建立模型。 (1 0分)
(2)所有参数采用图中参数名字命名,设置为类型参数,扇叶个数可以通过参数控制,并对窗框和百叶窗百叶赋予合适材质,请将模型文件以“百叶窗”为文件名保到考生文件夹中。 (8分)
(3)将完成的“百叶窗”载入项目中,插入任意墙面中示意。 (2分)
这就是小编为大家整理的2018年BIM考试的内容了,后期的理念真题资料会持续在坦途网BIM考试频道更新,敬请关注。这里还有在线辅导老师为你解答问题,助你备考子路一臂之力,赶快来吧! 2018年BIM考试
温馨提示:因考试政策、内容不断变化与调整,坦途网提供的以上信息仅供参考,如有异议,请考生以权威部门公布的内容为准!
